你提供的照片可能用于改善必应图片处理服务。
隐私政策
|
使用条款
无法使用此链接。检查链接是否以 "http://" 或 "https://" 开头,然后重试。
无法处理此搜索。请尝试其他图像或关键字。
试用视觉搜索
使用图像搜索、识别对象和文本、翻译或解决问题
将一个或多个图像拖到此处,
上传图像
或
打开相机
将图像放到此处以开始搜索
要使用可视化搜索,请在浏览器中启用相机
English
全部
搜索
图片
灵感
创建
集合
视频
地图
资讯
Copilot
更多
购物
航班
旅游
笔记本
自动播放所有 GIF
在这里更改自动播放及其他图像设置
自动播放所有 GIF
拨动开关以打开
自动播放 GIF
图片尺寸
全部
小
中
大
特大
至少... *
自定义宽度
x
自定义高度
像素
请为宽度和高度输入一个数字
颜色
全部
仅限颜色
黑白
类型
全部
照片
剪贴画
素描
动画 GIF
透明
版式
全部
方形
横版
高
人物
全部
仅脸部
半身像
日期
全部
过去 24 小时
过去一周
过去一个月
去年
授权
全部
所有创作共用
公共领域
免费分享和使用
在商业上免费分享和使用
免费修改、分享和使用
在商业上免费修改、分享和使用
详细了解
清除筛选条件
安全搜索:
中等
严格
中等(默认)
关闭
筛选器
1024×768
storage.googleapis.com
How To Reset Asd Relay at Ben Vincent blog
580×400
jeepgenius.com
Asd Relay Jeep: Essential Guide to Troubleshooting and Replacemen…
1600×900
ranwhenparked.net
How To Bypass Asd Relay: A Step-by-Step Explanation - Ran When Parked - Car, Veh…
1:15
www.youtube.com > AutoTechMike
12 Jeep Patriot crank no start ASD relay problem
YouTube · AutoTechMike · 4.9万 个浏览人数 · 2023年4月3日
1024×575
mechanictimes.com
How to Bypass ASD Relay – All That You Need To Know – Mechanic Times
686×386
jeepgenius.com
Asd Relay Jeep: Essential Guide to Troubleshooting and Replacement - Jeep Genius
768×432
rxmechanic.com
How to Bypass ASD Relay ? | Rx Mechanic
12:33
www.youtube.com > Best Car Fixes
2008 Dodge No Cranking No Start Code P0688 ASD Relay Location And How To Fix
YouTube · Best Car Fixes · 1.2万 个浏览人数 · 2023年10月24日
213×225
iFixit
SOLVED: What and where is t…
342×280
dodgeforum.com
Need some help with ASD Relay - DodgeForum.com
354×257
www.justanswer.com
ASD Relay: Location, Function & Troubleshooting | JustAns…
461×276
www.fixya.com
dodge ram asd relay Questions & Answers (with Pictures) - Fixya
678×508
dannysengineportal.com
No Spark - When Your Engine Cranks, But Has N…
678×411
dannysengineportal.com
Automatic Shutdown (ASD) Relay - Function - Failure - Testing
545×230
www.fixya.com
Where is the asd relay on a 1998 dodge ram - Fixya
1200×630
mechanictimes.com
How to Bypass ASD Relay – All That You Need To Know – Mechanic Times
1003×462
www.2carpros.com
ASD Relay Location?: as Long as the ASD Relay Buzzes the Truck ...
588×481
truckguider.com
Dodge Ram 1500 ASD Relay Location, Symptom…
436×904
www.2carpros.com
ASD Relay Location?: as …
768×1024
Scribd
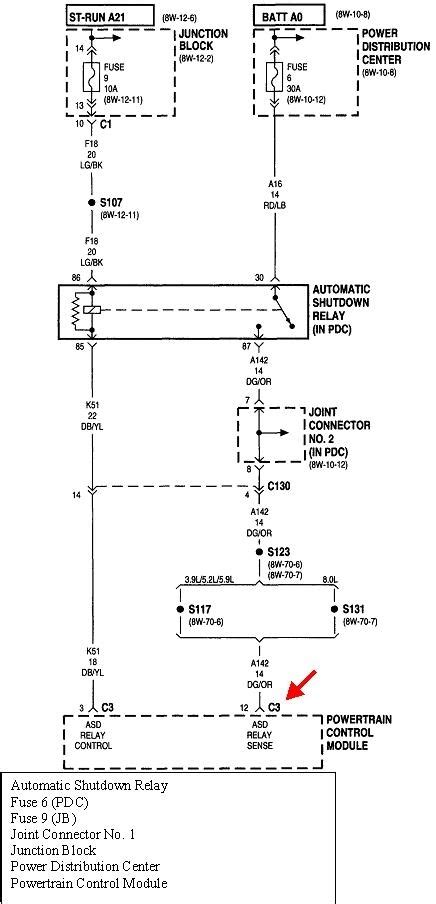
ASD RELAY TERMINAL ID…
532×406
naxja.org
ASD Relay Electrical Problem | NAXJA Forums - North Amer…
1092×533
www.2carpros.com
ASD Relay Location?: as Long as the ASD Relay Buzzes the Truck ...
834×564
www.2carpros.com
ASD Relay and the Auto Theft Relay Possibly?
1024×683
www.carparts.com
Signs of a Bad ASD Relay - In The Garage with CarParts.com
560×681
www.pinterest.com
Asd Relay Wiring Diagram | Relay, D…
30:14
www.youtube.com > Maic Salazar Diagnostics
2012 Jeep Grand Cherokee 5.7L ASD relay problem test
YouTube · Maic Salazar Diagnostics · 3534 个浏览人数 · 2023年2月28日
1275×1650
cherokeetalk.com
ASD circuit problem? | Jeep …
1840×987
storage.googleapis.com
Eng Asd Relay Feed 2 at Alicia Tuckett blog
928×928
www.carparts.com
Signs of a Bad ASD Relay - In The Garage …
960×1024
www.carparts.com
Signs of a Bad ASD Relay - In The Garag…
100×100
2CarPros
ASD Relay Location: Where Is the ASD Relay Located?
1024×576
shunauto.com
Unlocking Jeep Commander's Asd Relay | ShunAuto
807×660
www.2carpros.com
ASD Relay Location?: as Long as the ASD Relay Bu…
545×656
www.2carpros.com
ASD Relay Location?: as Long as the ASD Relay B…
494×651
www.2carpros.com
ASD Relay Location?: as Long as the ASD Relay B…
某些结果已被隐藏,因为你可能无法访问这些结果。
显示无法访问的结果
报告不当内容
请选择下列任一选项。
无关
低俗内容
成人
儿童性侵犯
反馈