你提供的照片可能用于改善必应图片处理服务。
隐私政策
|
使用条款
无法使用此链接。检查链接是否以 "http://" 或 "https://" 开头,然后重试。
无法处理此搜索。请尝试其他图像或关键字。
试用视觉搜索
使用图像搜索、识别对象和文本、翻译或解决问题
将一个或多个图像拖到此处,
上传图像
或
打开相机
将图像放到此处以开始搜索
要使用可视化搜索,请在浏览器中启用相机
English
全部
搜索
图片
灵感
创建
集合
视频
地图
资讯
更多
购物
航班
旅游
笔记本
自动播放所有 GIF
在这里更改自动播放及其他图像设置
自动播放所有 GIF
拨动开关以打开
自动播放 GIF
图片尺寸
全部
小
中
大
特大
至少... *
自定义宽度
x
自定义高度
像素
请为宽度和高度输入一个数字
颜色
全部
仅限颜色
黑白
类型
全部
照片
剪贴画
素描
动画 GIF
透明
版式
全部
方形
横版
高
人物
全部
仅脸部
半身像
日期
全部
过去 24 小时
过去一周
过去一个月
去年
授权
全部
所有创作共用
公共领域
免费分享和使用
在商业上免费分享和使用
免费修改、分享和使用
在商业上免费修改、分享和使用
详细了解
清除筛选条件
安全搜索:
中等
严格
中等(默认)
关闭
筛选器
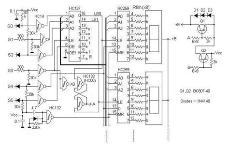
1258×1049
www.instructables.com
DIY LED Display : 6 Steps - Instructables
1365×1024
www.instructables.com
DIY LED Display : 6 Steps - Instructables
1364×1024
www.instructables.com
DIY LED Display : 6 Steps - Instructables
1218×1024
www.instructables.com
DIY LED Display : 6 Steps - Instructables
1365×1024
www.instructables.com
DIY LED Display : 6 Steps - Instructables
1365×1024
www.instructables.com
DIY LED Display : 6 Steps - Instructables
1364×1024
www.instructables.com
DIY LED Display : 6 Steps - Instructables
1366×1024
www.instructables.com
DIY LED Display : 6 Steps - Instructables
1365×1024
www.instructables.com
DIY LED Display : 6 Steps - Instructables
1100×1100
au.vicedeal.com
DIY LED Display Lamp Infrared Rem…
1100×1100
au.vicedeal.com
DIY LED Display Lamp Infrared Rem…
1100×1100
gbr.grandado.com
DIY LED Display Lamp Infrared Rem…
200×150
www.pinterest.com
Discover 100 Diy Led Display Kits and L…
800×800
linsnled.com
How to Make LED Display by Novastar LED Control Syste…
660×440
bibiled.com
Introductory Guide: Front-Maintenance LED Display - LED Screen Manufactur…
1000×1000
onepronic.blogspot.com
Diy Led Colors | OnePronic
1291×1080
www.instructables.com
DIY LED Panel : 7 Steps - Instructables
474×474
www.pinterest.com
100 Best DIY LED Display Kits images | Led, Led d…
736×736
www.pinterest.com
100 best DIY LED Display Kits images on Pinteres…
1024×539
jindaxiang.cn
DIY Home Led Wall - LED Display manufacture in china
700×600
jindaxiang.cn
DIY Home Led Wall - LED Display manufacture in china
600×450
jindaxiang.cn
DIY Home Led Wall - LED Display manufacture in china
600×600
jindaxiang.cn
DIY Home Led Wall - LED Display manufactu…
768×503
edn.com
DIY LED display provides extra functions and PWM - EDN
1100×1100
nl.vicedeal.com
Diy Led Display Lamp Infrarood Afstandsbe…
1000×500
sryled.com
DIY LED Display: 7 Essential Steps to Start Your Assembly Line - SRYLED
1000×500
sryled.com
DIY LED Display: 7 Essential Steps to Start Your Assembly Line - SRYLED
1024×683
bescanled.com
DIY Your LED Screen Wall - Bescan led
1296×1080
Instructables
DIY Portable LED Panel : 6 Steps (with Pictures) - Instructables
1820×1024
www.instructables.com
DIY LED Panel : 14 Steps (with Pictures) - Instructables
1820×1024
www.instructables.com
DIY LED Panel : 14 Steps (with Pictures) - Instructables
1820×1024
www.instructables.com
DIY LED Panel : 14 Steps (with Pictures) - Instructables
1820×1024
www.instructables.com
DIY LED Panel : 14 Steps (with Pictures) - Instructables
1820×1024
www.instructables.com
DIY LED Panel : 14 Steps (with Pictures) - Instructables
1820×1024
www.instructables.com
DIY LED Panel : 14 Steps (with Pictures) - Instructables
某些结果已被隐藏,因为你可能无法访问这些结果。
显示无法访问的结果
报告不当内容
请选择下列任一选项。
无关
低俗内容
成人
儿童性侵犯
反馈