你提供的照片可能用于改善必应图片处理服务。
隐私政策
|
使用条款
无法使用此链接。检查链接是否以 "http://" 或 "https://" 开头,然后重试。
无法处理此搜索。请尝试其他图像或关键字。
试用视觉搜索
使用图像搜索、识别对象和文本、翻译或解决问题
将一个或多个图像拖到此处,
上传图像
或
打开相机
将图像放到此处以开始搜索
要使用可视化搜索,请在浏览器中启用相机
English
全部
搜索
图片
灵感
创建
集合
视频
地图
资讯
Copilot
更多
购物
航班
旅游
笔记本
What Is Engine Control ASD Relay 的热门建议
Auxiliary
Relay
Automotive
Relay
Brake
Relay
Mechanical
Relay
Relay
Car
Ac
Relay
Relay
Diagram
Reverse Power
Relay
Step
Relay
Abs
Relay
Electromechanical
Relay
Electrical
Relay
Power
Relay
自动播放所有 GIF
在这里更改自动播放及其他图像设置
自动播放所有 GIF
拨动开关以打开
自动播放 GIF
图片尺寸
全部
小
中
大
特大
至少... *
自定义宽度
x
自定义高度
像素
请为宽度和高度输入一个数字
颜色
全部
仅限颜色
黑白
类型
全部
照片
剪贴画
素描
动画 GIF
透明
版式
全部
方形
横版
高
人物
全部
仅脸部
半身像
日期
全部
过去 24 小时
过去一周
过去一个月
去年
授权
全部
所有创作共用
公共领域
免费分享和使用
在商业上免费分享和使用
免费修改、分享和使用
在商业上免费修改、分享和使用
详细了解
清除筛选条件
安全搜索:
中等
严格
中等(默认)
关闭
筛选器
Auxiliary
Relay
Automotive
Relay
Brake
Relay
Mechanical
Relay
Relay
Car
Ac
Relay
Relay
Diagram
Reverse Power
Relay
Step
Relay
Abs
Relay
Electromechanical
Relay
Electrical
Relay
Power
Relay
618×375
easyautodiagnostics.com
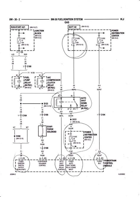
Engine Management Sensor Circuit Diagram (1994-1995 3.9L V6 Dodg…
580×400
jeepgenius.com
Asd Relay Jeep: Essential Guide to Troubleshooting and Replac…
678×381
dannysengineportal.com
Automatic Shutdown (ASD) Relay - Function - Failure - Testing
1024×768
SlideServe
PPT - Chrysler History PowerPoint Presentation, free download - ID:51…
599×420
auto-fuses.com
Jeep Compass (MK49; 2007-2010) fuses and relays
240×317
Off-Road
Wiring Specifics here we go... : Off …
941×837
2CarPros
ASD Relay?: My Van Died on Me at Light the Other Day Go…
1280×720
jeepgenius.com
Asd Relay Jeep: Essential Guide to Troubleshooting and Replacement - Jeep Genius
1600×900
ranwhenparked.net
How To Bypass Asd Relay: A Step-by-Step Explanation - Ran When Parked - Car, Vehicle & …
408×266
JustAnswer
Q&A: ASD Relay Wiring Diagram & Location | JustAnswer
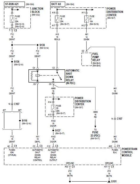
1232×879
2CarPros
ASD Relay: What Is a ASD Relay? Where Is It Located on My Jeep?
213×225
iFixit
SOLVED: What and where is the ASD re…
768×432
rxmechanic.com
How to Bypass ASD Relay ? | Rx Mechanic
678×508
dannysengineportal.com
Automatic Shutdown (ASD) Relay - Function - Failure - Testing
840×440
vehiclesphere.com
Jeep Wrangler Shuts Off While Driving - 11 Reasons & Fixes
678×381
dannysengineportal.com
Automatic Shutdown (ASD) Relay - Function - Failure - Testing
545×656
storage.googleapis.com
What Is Asd Relay at Ethel L…
191×533
aero-cruiser.fl-ink.com
Aero Cruiser Club's Runnin…
723×438
dannysengineportal.com
Automatic Shutdown (ASD) Relay - Function - Failure - Testing
1197×838
2CarPros
ASD Relay Location: Where Is the ASD Relay Located?
472×338
JustAnswer
Expert Q&A: Dodge W250 Auto Repair - Get Reliable Solutions
1536×1238
dannysengineportal.com
Automatic Shutdown (ASD) Relay - Function - Failure - Testing
524×687
storage.googleapis.com
What Is Asd Relay at Ethel Laskey bl…
330×528
s3.amazonaws.com
Measure the resistance of t…
400×267
qianji-relay.com
what is asd relay
618×750
storage.googleapis.com
What Is Asd Relay at Ethel Laskey …
300×213
dashlights.net
How To Bypass Asd Relay? -Step-by-Step Guide!
480×360
artofit.org
Automatic shutdown asd relay function failure testing – Artofit
928×928
www.carparts.com
Signs of a Bad ASD Relay - In The Garag…
960×1024
www.carparts.com
Signs of a Bad ASD Relay - In The Gara…
232×225
iFixit
SOLVED: What and where is the ASD r…
1200×630
mechanictimes.com
How to Bypass ASD Relay – All That You Need To Know – Mechanic Times
1164×869
wiringdiagramco.blogspot.com
Asd Relay Wiring Diagram - Wiring Diagram
419×282
Fixya
Pt crusier asd relay wiring diagram - 2001 Chrysler PT Cruiser | Fixya
570×800
www.jeepforum.com
What activates the ASD relay? | Jee…
某些结果已被隐藏,因为你可能无法访问这些结果。
显示无法访问的结果
报告不当内容
请选择下列任一选项。
无关
低俗内容
成人
儿童性侵犯
反馈