你提供的照片可能用于改善必应图片处理服务。
隐私政策
|
使用条款
无法使用此链接。检查链接是否以 "http://" 或 "https://" 开头,然后重试。
无法处理此搜索。请尝试其他图像或关键字。
试用视觉搜索
使用图像搜索、识别对象和文本、翻译或解决问题
将一个或多个图像拖到此处,
上传图像
或
打开相机
将图像放到此处以开始搜索
要使用可视化搜索,请在浏览器中启用相机
English
全部
搜索
图片
灵感
创建
集合
视频
地图
资讯
更多
购物
航班
旅游
笔记本
自动播放所有 GIF
在这里更改自动播放及其他图像设置
自动播放所有 GIF
拨动开关以打开
自动播放 GIF
图片尺寸
全部
小
中
大
特大
至少... *
自定义宽度
x
自定义高度
像素
请为宽度和高度输入一个数字
颜色
全部
仅限颜色
黑白
类型
全部
照片
剪贴画
素描
动画 GIF
透明
版式
全部
方形
横版
高
人物
全部
仅脸部
半身像
日期
全部
过去 24 小时
过去一周
过去一个月
去年
授权
全部
所有创作共用
公共领域
免费分享和使用
在商业上免费分享和使用
免费修改、分享和使用
在商业上免费修改、分享和使用
详细了解
清除筛选条件
安全搜索:
中等
严格
中等(默认)
关闭
筛选器
768×1024
es.scribd.com
Modulo 5 | PDF
768×1024
es.scribd.com
Modulo 5 | PDF
768×543
es.scribd.com
Módulo Cinco | PDF
768×1024
es.scribd.com
5 Modulo Mat 5sec III Bim 2022 | PDF
1920×1280
simplificatusopos.es
Módulo 5 – Simplificando tus opos
3713×2551
blogspot.com
Módulo 05 ~ Módulo RTP
240×300
cheneliere.ca
Collection - Modulo Mathématiques
768×1024
es.scribd.com
Modulo 5 | PDF | Medición | Matemáticas
768×1024
scribd.com
Modulo 5 | PDF
768×1024
es.scribd.com
Evaluación Modulo 5 | PDF
300×183
mathbz.com
Modulo Calculator – MathBz
850×637
ResearchGate
2: Asynchronous counter modulo 5. | Download Scien…
715×596
chegg.com
Solved Design a modulo 5 counter and a modulo 7 cou…
736×509
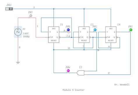
multisim.com
Modulo 5 Counter - Multisim Live
1312×1080
chegg.com
Solved 1) Provide the schematics of a modulo-5-c…
768×1024
es.scribd.com
MODULO5 | PDF
768×1024
es.scribd.com
Modulo 5 Matemática | PDF
768×1024
scribd.com
Módulo 5 F2 | PDF
768×1024
es.scribd.com
Modulo 5 | PDF | Negocios | Informática
295×125
divisible.info
What is 4 mod 5? (4 modulo 5?)
700×514
chegg.com
Solved 2] Design a shortened modulo-5 counter. This circu…
768×1024
es.scribd.com
Modulo Grado Quinto 2 Periodo | PDF
768×1024
scribd.com
Modulo 5 | PDF
768×1024
scribd.com
02 - Modulo-5 Counter | PDF | Electronic Circuits | Digital E…
768×1024
pt.scribd.com
MODULO 5 Manual Parte 1 | PDF | Definição | Aprendizado
640×632
webdelprofesor.ula.ve
modulo 5
512×512
visualfractions.com
What is 5 mod 5? (5 modulus 5)
1000×1000
c2formacion.es
Módulo 5 - Educación Infantil - C2 Formación
935×280
chegg.com
Solved 2. In this problem, you are to design a modulo-5 | C…
768×1024
scribd.com
Modulo 5 | PDF
768×1024
es.scribd.com
Evaluacion Modulo 5 | PDF
768×1024
es.scribd.com
Calculo de Modulo 5 | PDF
768×1024
es.scribd.com
Modulo 5 | PDF
340×480
wuolah.com
MODULO-5-TEORIA.pdf
1200×1553
studocu.com
Modulo 5 Overview and Key Concepts for Students - Stu…
某些结果已被隐藏,因为你可能无法访问这些结果。
显示无法访问的结果
报告不当内容
请选择下列任一选项。
无关
低俗内容
成人
儿童性侵犯
反馈