你提供的照片可能用于改善必应图片处理服务。
隐私政策
|
使用条款
无法使用此链接。检查链接是否以 "http://" 或 "https://" 开头,然后重试。
无法处理此搜索。请尝试其他图像或关键字。
试用视觉搜索
使用图像搜索、识别对象和文本、翻译或解决问题
将一个或多个图像拖到此处,
上传图像
或
打开相机
将图像放置到任意位置以开始搜索
要使用可视化搜索,请在浏览器中启用相机
English
全部
搜索
图片
灵感
创建
集合
视频
地图
资讯
更多
购物
航班
旅游
笔记本
自动播放所有 GIF
在这里更改自动播放及其他图像设置
自动播放所有 GIF
拨动开关以打开
自动播放 GIF
图片尺寸
全部
小
中
大
特大
至少... *
自定义宽度
x
自定义高度
像素
请为宽度和高度输入一个数字
颜色
全部
仅限颜色
黑白
类型
全部
照片
剪贴画
素描
动画 GIF
透明
版式
全部
方形
横版
高
人物
全部
仅脸部
半身像
日期
全部
过去 24 小时
过去一周
过去一个月
去年
授权
全部
所有创作共用
公共领域
免费分享和使用
在商业上免费分享和使用
免费修改、分享和使用
在商业上免费修改、分享和使用
详细了解
清除筛选条件
安全搜索:
中等
严格
中等(默认)
关闭
筛选器
4256×2832
franklinmanufacturing.com
CNC Angle Line
800×455
blogspot.com
All About CNC: Basic CNC Programming (Part 3) : Programming System
318×512
vmccam.com
CNC Programming …
909×481
blogspot.com
All About CNC: Basic CNC Programming (Part 3) : Programming System
2481×1754
artofit.org
Cnc programming for beginners a simple cnc prog…
600×362
cncmakers.com
3 methods of thread CNC programming
1280×720
fity.club
Programming Cnc Milling Machine
595×311
helmancnc.com
CNC Programming Example in Inch Simple CNC Lathe Program - Helman C…
684×575
storage.googleapis.com
Cnc Lathe Y Axis Programming at Velma Wright blog
1280×720
artofit.org
Cnc programming of arcs cnc milling program radius milling program g02 ...
824×504
blogspot.com
Cnc Programming
469×637
blogspot.com
Cnc Programming
861×619
blogspot.com
Cnc Programming
1200×1200
banggood.com
2pcs angle block set machinist tool planer tool 3…
1200×1200
banggood.com
2pcs angle block set machinist tool planer tool 3…
473×456
Pinterest
Discover 19 CNC program code examples ideas on thi…
512×512
etcnmachining.com
掌握 G03 CNC 代码:圆弧插补和 G 代码命令的终极指南 - ETCN
480×379
blogspot.com
Cnc Programming
2048×1319
instrumentationtools.com
Various Codes used in CNC Programming
870×567
blogspot.com
Cnc Programming
2240×1260
plasticranger.com
G30 CNC Code: Beginner’s Guide to Secondary Reference Points ...
150×150
etcnmachining.com
Mastering the G30 CNC Code: Unlocking Your Machine's Pot…
150×150
etcnmachining.com
Mastering the G30 CNC Code: Unlock…
512×512
etcnmachining.com
Mastering the G30 CNC Code: Unlocking Your …
999×1024
etcnmachining.com
Mastering the G30 CNC Code: Unlocking Your …
1850×2312
g-wonlinetextbooks.com
CNC Machining, 1st Edition page 67
2048×1536
slideshare.net
Manual part programming | PPTX
668×458
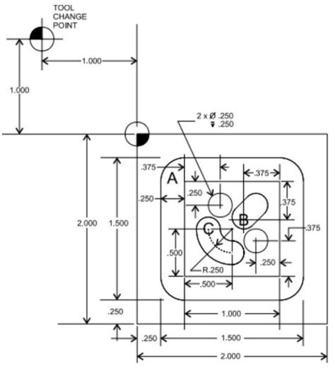
chegg.com
Solved Provide the cnc part program for the given part and | Chegg.com
640×640
asiaalum.en.made-in-china.com
OEM Price for Aluminum Corner Code CNC Machine …
1000×400
runsom.com
CNC Machining Design Guide - Runsom Precision
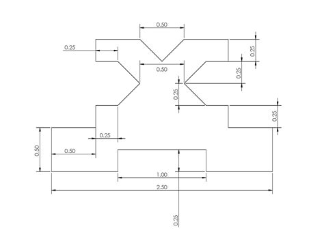
735×915
chegg.com
3. In order to program a CN…
2200×1700
chegg.com
Solved I am needing help writing the CNC program fo…
1280×1704
forum.arduino.cc
Angle between 30 and 60 by …
737×487
mech.poriyaan.in
manual part programming - Programming of CNC Machine Tools ...
662×738
ourelabs.blogspot.com
CNC program with detailed explanation ~ …
某些结果已被隐藏,因为你可能无法访问这些结果。
显示无法访问的结果
报告不当内容
请选择下列任一选项。
无关
低俗内容
成人
儿童性侵犯
反馈